汽車氣壓控制裝置手制動閥的氣密性試驗
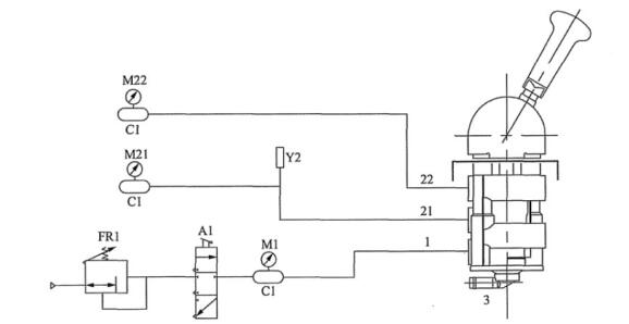
1試驗原理圖
試驗原理圖如下圖。

2密封性。
2.1非工作狀態(tài)密封性。
將樣品手柄置于駐車位置。控制閥A1置于充氣位置,從樣品進氣口充氣至P8。然后將控制A1置于截斷位置,穩(wěn)定1min后,記錄此后5min內壓力表M1的壓力降。
2.2工作狀態(tài)密封性。
a)將樣品手柄置于行車位置??刂崎yA1置于充氣位置,從樣品進氣口充氣至P,然后將控制閥A1置于截斷位置,穩(wěn)定1min后,記錄此后5min內壓力表M21、M22的壓力降。b)將樣品手柄置于檢查位置。控制A1置于充氣位置,從樣品進氣口充氣至P。然后將控制A1置于截斷位置,穩(wěn)定1min后,記錄此后5min內壓力表M1、M22的壓力降。

|